繁体
|
中国政府网
|
新疆政府网
|
乌鲁木齐市政府网
导航切换
首页
走进米东
自然资源
基础设施
经济增长
城乡建设
民生事业
投资环境
图看米东
领导之窗
区长
吴承凯
常务副区长
韩飞
副区长
洪宇宁
王伟
马合买提·阿木提
常振
常棚
闫瑞
马小梅
新闻中心
国务院要闻
自治区要闻
乌市要闻
米东要闻
国务院文件
自治区文件
乌市文件
米东文件
政府信息公开
领导信息
财政预决算
政府工作报告
文件
人事任免
建议、提案
互动交流
区长信箱
调查征集
投诉举报
政务服务
当前位置:
首页
重点领域公开
综合监管和检查执法
正文
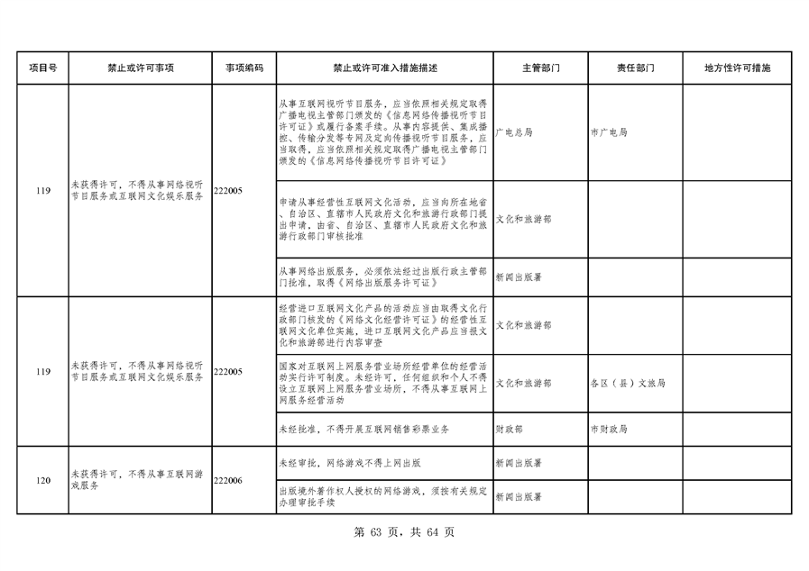
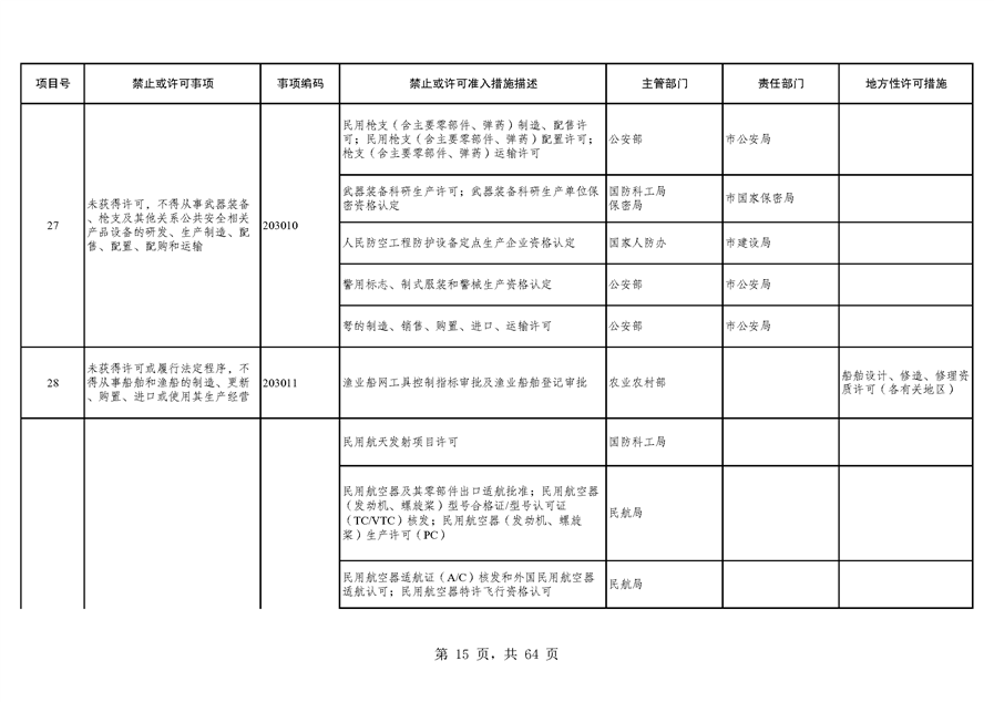
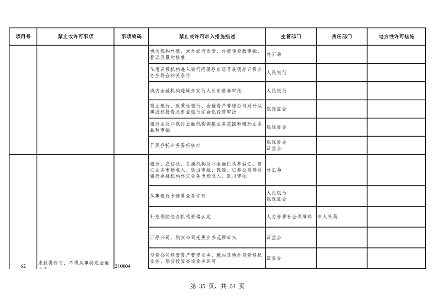
市场准入负面清单(2020年版)责任分工
来源
米东区人民政府
发布时间
2021-11-12 18:11
阅读
分享到
县 区
天山区
沙依巴克区
高新技术开发区(新市区)
经济技术开发区(头屯河区)
水磨沟区
达坂城区
乌鲁木齐县
甘泉堡经济开发区